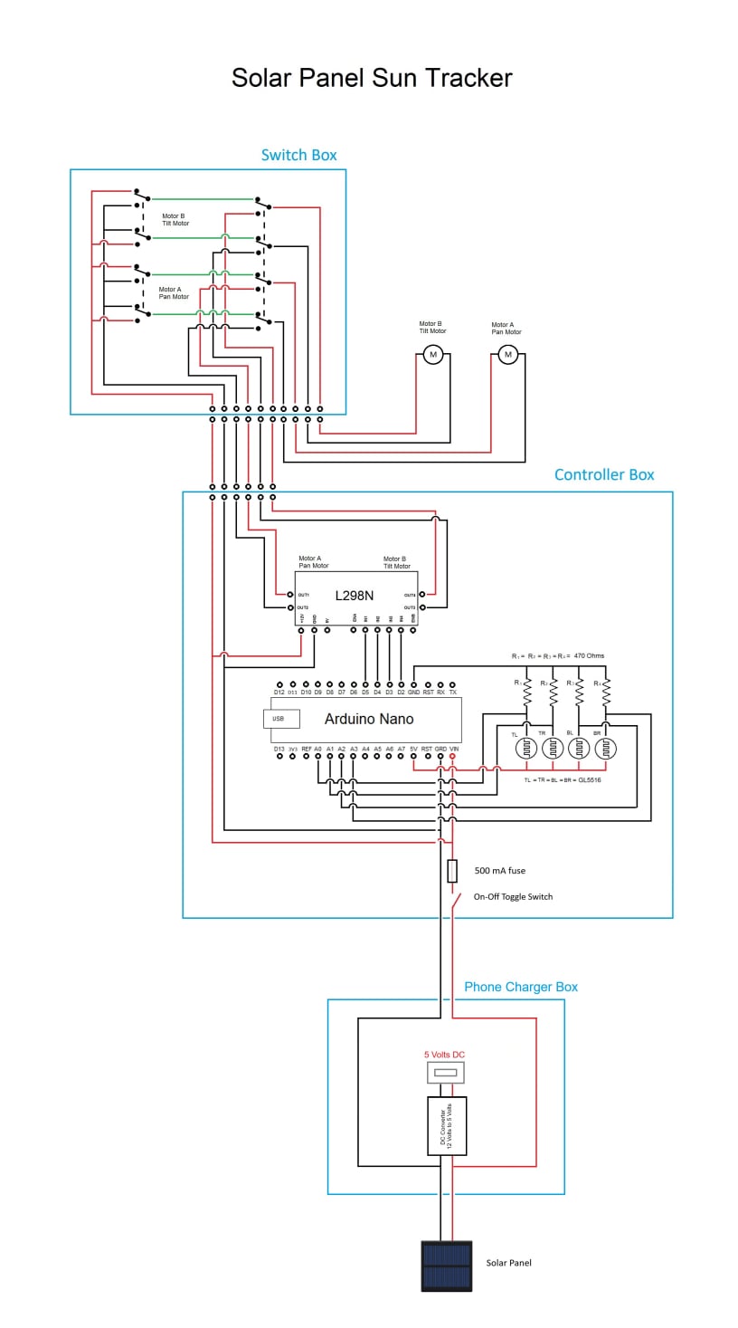
Phone Charger Box

Mobirise Website Builder

The phone charger box was designed to be used in case of a power outage.

The 12 volt DC voltage from the solar panel can be routed through the phone charger box and then on to the controller box.
This provides 12 volts at the phone charger box that the DC Converter uses to charge a phone. 

The Phone Charger Box Contains the following items.

12 vdc to 5 vdc Converter
Two Power Jacks

12 Volts DC to 5 Volts DC Converter

Mobirise Website Builder

Wiring Diagram with Phone Charger

Mobirise Website Builder

Exploded View

Mobirise Website Builder

Charging my phone.

Mobirise Website Builder

Website Software