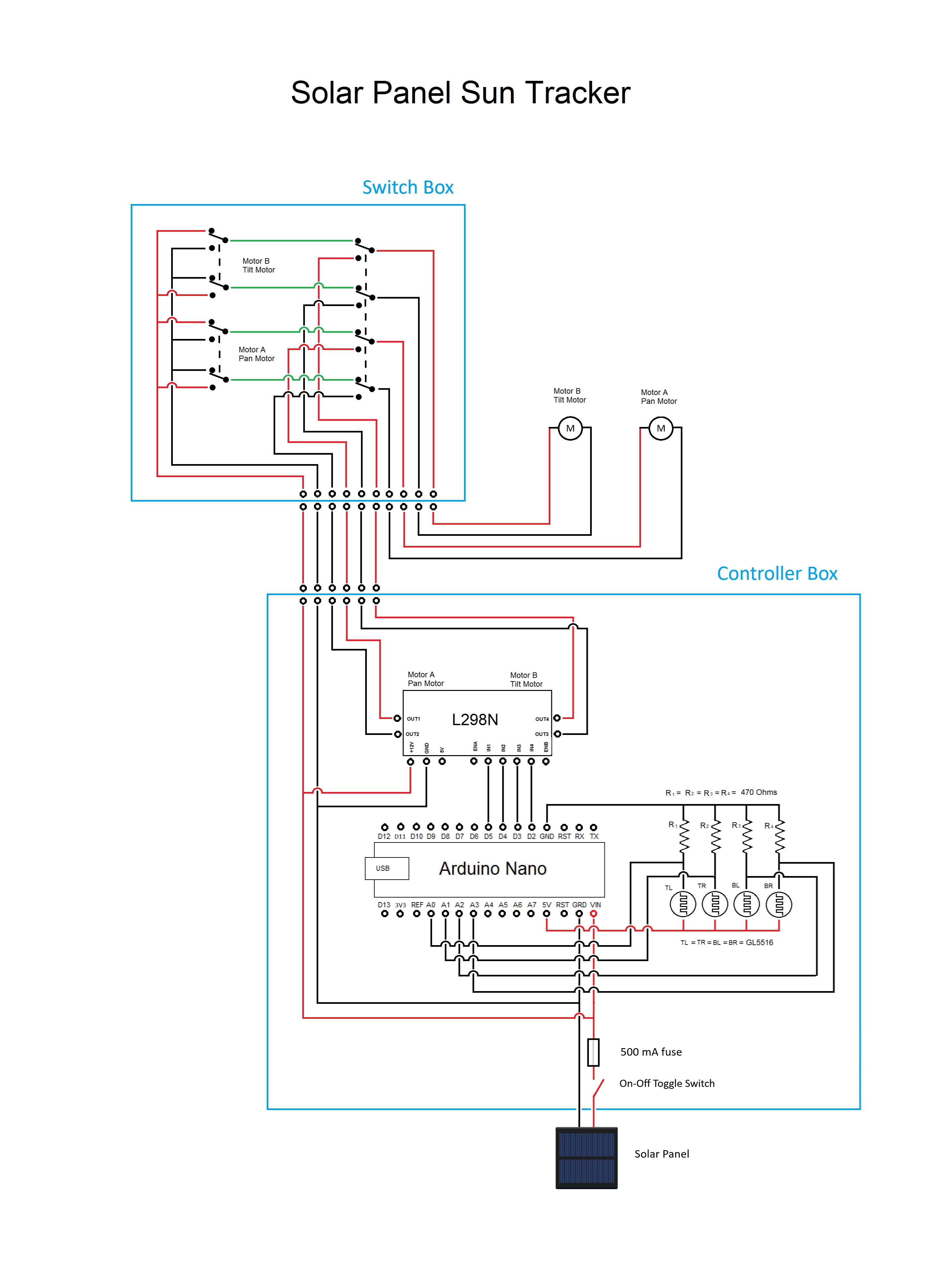
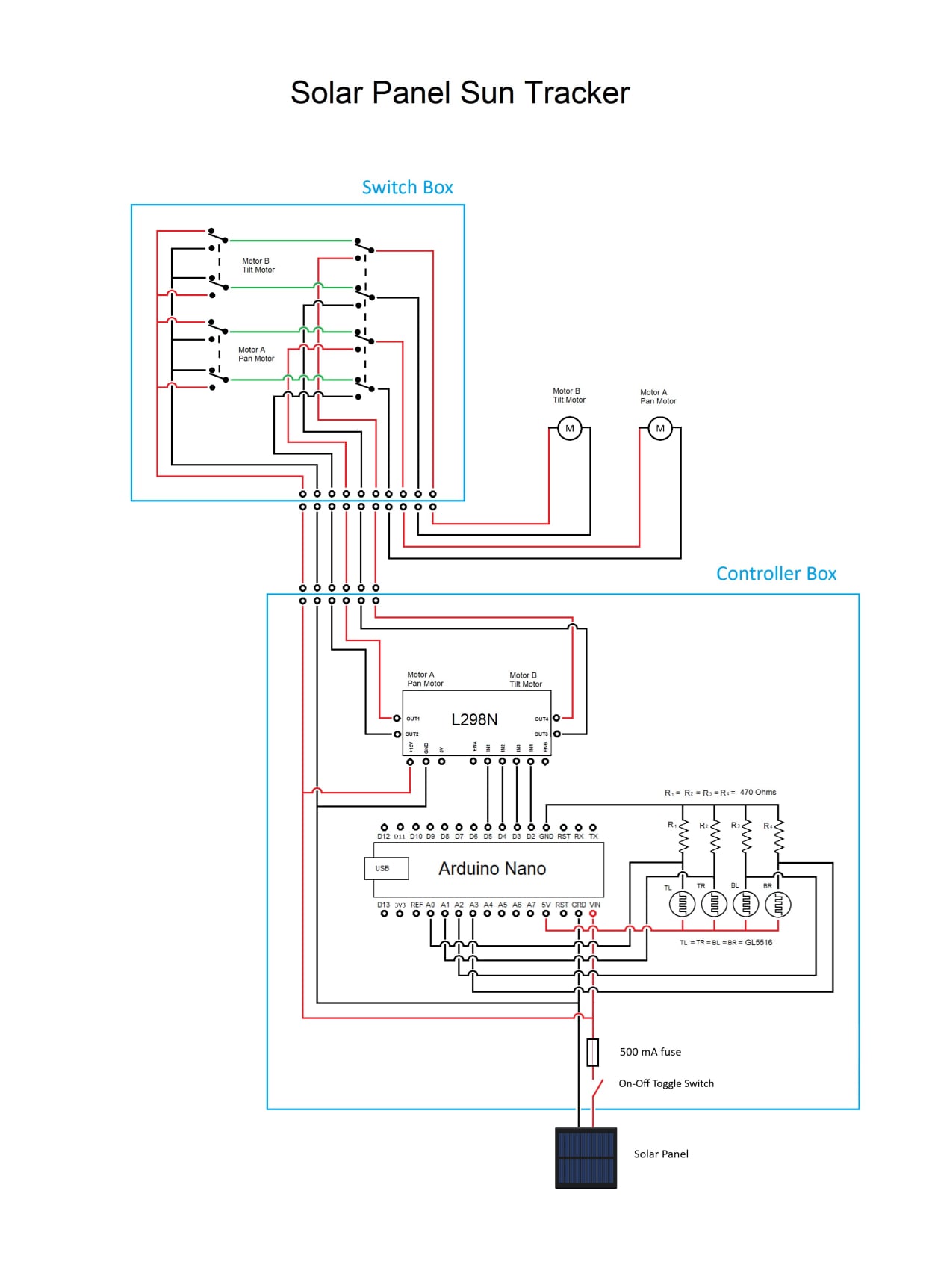
We mounted a small solar panel and a 3-D printed LDR bracket on a dual axis stand. As you can see above, the LDR bracket is partitioned into four sections. We placed an LDR in the corner of each section. If you point the LDR bracket directly at the sun, the sun's rays fill each section with sunlight. There will be no shadows from the partition walls.
Now, if the sun moves relative to the LDR bracket, shadows from the partition walls will start to move into three of the sections (or possibly only two). Those shadows will start to cover a portion of the corresponding LDRs. If an LDR receives less sunlight, the resistance of the LDR increases.
We used an Arduino Nano to determine the relative amount of sunlight in each section. If the LDR bracket is not pointing directly at the sun, we activate the DC motors on the dual axis stand to reposition the LDR bracket to point directly at the newly positioned sun. For details on how this is accomplished, see the Arduino source code below.
No Code Website Builder